Горизонтально-фрезерный станок 6Т83Г
Горизонтально-фрезерный станок 6Т83Г - станок металлообрабатывающий для ведения работ торцевыми, концевыми, фасонными, цилиндрическими и другими типами фрез.
Возможности применения
Горизонтально-фрезерный станок 6Т83Г используется для обработки заготовок из стали, цвет.металлов, чугуна и сплавов. Основные типы деталей, фрезеровку которых позволяет осуществлять такое оборудование, следующие:
- вертикальные и горизонтальные плоскости;
- зубчатые колеса;
- пазы;
- углы;
- рамки;
- штампы;
- пресс-формы;
- спирали.
Функционал горизонтально-фрезерного станка 6Т83Г дает возможность вести фрезеровку как в ручном (традиционном) режиме, так и с использованием автоматических циклов. Эта особенность позволяет с высокой точностью выполнять повторяющиеся операции в серийном производстве.
Отдельно стоит отметить возможность фрезерования широких горизонтальных плоскостей за один проход набором фасонных или цилиндрических фрез на горизонтальной оправке.
Конструктивные особенности
Выделяют несколько основных конструктивных особенностей горизонтально-фрезерного станка 6Т83Г:
- устройство пропорционального замедления подачи;
- механизированный зажим режущего инструмента в шпинделе;
- механизм периодического регулирования зазора в винтовой паре подачи;
- система торможения шпинделя при его остановке электромагнитной муфтой;
- предохранительная муфта горизонтально-фрезерного станка 6Т83Г защищает привод подач от возможных перегрузок.
Техническая характеристика и высокая жесткость станков позволяют полностью использовать возможности как быстрорежущего, так и твердосплавного инструмента.
Технологические возможности станка могут быть расширены с применением делительной головки, поворотного круглого стола, накладной универсальной головки и других приспособлений.
Станки автоматизированы и могут быть настроены на различные, автоматические циклы, что повышает производительность труда, исключает необходимость обслуживания станков рабочими высокой квалификации и облегчает возможность организации многостаночного обслуживания.
Особенностями конструкции станка являются:
- широкие диапазоны величин подач стола;
- быстросменное крепление инструмента;
- наличие механизма замедления подачи;
- замедление рабочей подачи в автоматическом цикле;
- возможность работы в автоматических циклах, включая обработку по рамке;
- автоматическая смазка узлов;
- применение бесконтактных быстродействующих электромагнитных муфт в приводе подач;
- повышенная точность станка за счет расположения винта поперечной подачи но оси фрезы;
- возможность перемещения стола одновременно по двум и трем координатам;
- возможность применения электродвигателя постоянного тока в приводе подач;
- возможная дальнейшая автоматизация станков за счет применения цифровой индикации и устройств оперативного управления.
Для сокращения вспомогательного времени и удобства управления в станках предусматриваются:
- дублированное управление кнопочно-рукояточпого типа (спереди и с левой стороны станка);
- пуск и останов шпинделя и включение быстрых ходов станка при помощи кнопок;
- управление движениями стола от рукояток, направление поворота которых совпадает с направлением движения стола;
- изменение скоростей и подач с помощью однорукояточных выборочных механизмов, позволяющих получать любую скорость или подачу поповоротом лимба без прохождения промежуточных ступеней;
- торможение постоянным током.
Класс точности станка Н по ГОСТ 8—77.
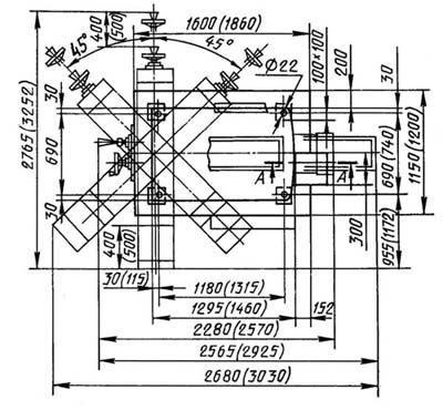
Габаритные размеры рабочего пространства фрезерного станка 6Т83Г
Чертеж рабочего пространства фрезерного станка 6Т83Г
Присоединительные базы фрезерного станка 6Т83Г
Состав и конструкция фрезерного станка 6Т83Г
Перечень составных частей фрезерного станка 6Т83Г
- станина;
- коробка переключения;
- пульт боковой;
- коробка скоростей;
- устройства электромеханического зажима инструмента;
- шкаф управления;
- стол и салазки;
- механизм замедления подачи;
- пульт основной;
- консоль;
- коробка подач
Кинематическая схема фрезерного станка 6Т83Г
Привод подач осуществляется от отдельного фланцевого электродвигателя, смонтированного в консоли. Рабочие подачи настраиваются с помощью переключаемых зубчатых колес коробки подач, состоящих из двух трехвенцовых блоков и одного передвижного зубчатого колеса с кулачковой муфтой. На последнем валу коробки в кинематической цепи рабочих подач предусмотрена шариковая пружинная регулируемая муфта, предохраняющая механизм подач от перегрузок.
С последнего вала коробки подач движение передается в консоль. Затем через ряд цилиндрических и конических зубчатых колес, смонтированных в консоли и салазках, путем включения соответствующей кулачковой муфты приводится во вращение один из трех ходовых винтов, и таким образом осуществляются продольная, поперечная или вертикальная подачи.
Переключаемые зубчатые колеса коробки подач позволяют при разных зацеплениях получить 18 различных подач.
Кинематическая цепь для ускоренных (установочных) перемещений стола, салазок и консоли выполняется путем передачи движения от двигателя через паразитные зубчатые колеса непосредственно на зубчатое колесо фрикциона быстрого хода, смонтированного на последнем валу коробки подач.
Указанный фрикцион сблокирован с муфтой рабочих подач, тем самым устраняются случаи их одновременного включения.
Cхема электрическая фрезерного станка 6Т83Г
|
Размеры рабочего стола, мм
|
1600x400 |
|
Частота вращения шпинделя, об/мин
|
31.5-1600 |
|
Макс нагрузка на раб. стол, кг
|
630 |
|
Макс. нагрузка на стол, кг
|
630 |
|
Макс. перемещение стола, мм
|
1000/400/420 |
|
Пределы подач стола, мм/мин
|
12.5-1600/12.5-1600/4.1-530 |
|
Расст-е от оси шпинделя до раб. пов-ти стола, мм
|
30-450 |
|
Расст-е от оси шпинделя до направл. хобота, мм
|
190 |
|
Конус шпинделя по ГОСТ 30064-93
|
N50 |
|
Мощность двигателя, кВт
|
11 |
|
Напряжение питания, В
|
3x380 |
|
Мощность двигателей, кВт
|
3 |
|
Габаритные размеры, мм
|
2570x2252x1770 |
|
Масса, кг
|
3800 |
- стол поворотный круглый с редуктором механического привода 7204-0023-01;
- универсальная делительная головка УДГ-Д-250 или УДГ-Н-160;
- долбежная головка ПИ 695;
- накладная фрезерная головка ПИ 73005;
- тиски станочные 7200-0220-02.









