Вертикально-фрезерный станок 6Т13
Вертикально-фрезерный станок 6Т13 - фрезерный станок, предназначенный для выполнения операций по фрезеровке изделий из цветных металлов, сплавов, различных марок стали и чугуна при серийном производстве.
Особенности модели
Вертикально-фрезерный станок 6Т13 имеет ряд основных особенностей конструкции и комплектации, непосредственно влияющих на его функциональные возможности:
- поворотный шпиндель, оснащенный механизмом осевого перемещения гильзы, позволяет вести обработку отверстий под углом к поверхности рабочего стола (наклон до 45 градусов);
- характеристики привода и жесткость конструкции вертикально-фрезерного станка 6Т13 дают возможность использовать инструмент из высокопрочной быстрорежущей стали, твердых или сверхтвердых полимерных материалов;
- вертикально-фрезерный станок 6Т13 оборудован защитной предохранительной муфтой для предупреждения перегрузок привода подач;
- механизированное устройство для крепления режущего инструмента в шпинделе;
- предусмотрена возможность торможения горизонтального шпинделя с помощью электромагнитной муфты;
- все модификации вертикально-фрезерного станка 6Т13 оснащаются устройством защиты оператора от разлетающихся обрезков металла;
- управляемая в широком диапазоне значений скорость движения шпинделя и скорость подачи детали;
- система регулирования размера зазора в винтовой паре механизма продольной подачи.
Отдельно стоит отметить, что вертикально-фрезерный станок 6Т13 позволяет использовать автоматические циклы обработки (фрезерования) в 3-х координатных плоскостях. Это дает возможность успешно применять оборудование в крупносерийном, среднесерийном и массовом производстве некоторых видов изделий из металла.
Вертикально-фрезерный станок 6Т13 - промышленное металлообрабатывающее оборудование, использующееся на индивидуальном и серийном производстве в инструментальных и ремонтно-механических цехах.
На вертикальном консольно-фрезерном станке 6Т13 возможна работа в трех режимах:
- Автоматический - В автоматическом режиме станок работает при различных автоматических циклах.
- Толчковый - В толчковом режиме производятся установочные перемещения стола. Возможна работа по разметке.
- Ручной - В ручном универсальном режиме станок работает с использованием рабочих подач, быстрых перемещений, а также ручных перемещений от маховиков и рукоятки.
Особенности конструкции фрезерного станка 6Т13
Имеется устройство для ограничения зазора в винтовой паре продольного перемещения стола, индивидуальная смазка винта вертикального перемещения, повышающая его долговечность и снижающая усилие подъема консоли.
Введены дополнительные устройства для защиты от разлетающейся стружки и эмульсии.
Повышена жесткость станка за счет прямоугольных направляющих станины и консоли.
Имеется автоматическое торможение шпинделя в рабочем режиме и при аварийном отключении.
Автоматизированная смазка узлов повышает их долговечность и сокращает время обслуживания.
Стол станка может поворачиваться вокруг вертикальной оси на ±45°, что позволяет с применением делительных устройств фрезеровать различные винтообразные спирали.
Поворотная шпиндельная головка станка оснащена механизмом ручного осевого перемещения гильзы шпинделя, что позволяет производить обработку отверстий, ось которых расположена под углом до ±45° к рабочей поверхности стола.
Мощность приводов и высокая жесткость станков позволяют применять фрезы, изготовленные из быстрорежущей стали, а также инструмент, оснащенный пластинками из твердых и сверхтвердых синтетических материалов.
Механизировано крепление инструмента. Винт поперечной подачи расположен по оси фрезы, что повышает точность обработки. Технологические возможности станка могут быть расширены с применением делительной головки, поворотного круглого стола и других приспособлений.
Возможность настройки станка на различные полуавтоматические и автоматические циклы позволяет организовать многостаночное обслуживание и использовать станок для выполнения различных работ в поточном производстве.
Станок может поставляться в стране с умеренным, холодным и тропическим климатом.
Класс точности станка — Н по ГОСТ 8—82Е
Основные технологические преимущества станков:
- разнообразные автоматические циклы работы станка;
- широкий диапазон частот вращения шпинделя и подач стола;
- большая мощность приводов;
- высокая жесткость;
- надежность и долговечность.
- Технологические возможности станков могут быть расширены за счет применения на них делительной головки, круглого поворотного стола и других приспособлений.
Габарит рабочего пространства консольно-фрезерного станка 6Т13
Чертеж рабочего пространства фрезерного станка 6Т13
Эскиз шпинделя консольно-фрезерного станка 6Т13
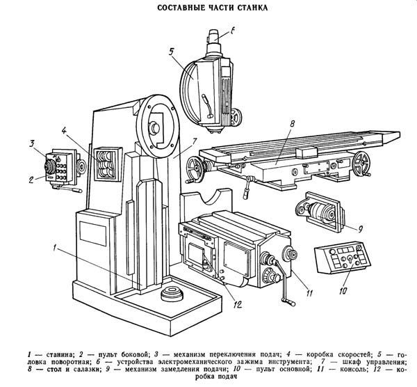
Расположение составных частей консольно-фрезерного станка 6Т13
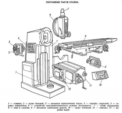
Расположение составных частей фрезерного станка 6Т13
Перечень составных частей консольно-фрезерного станка 6Т13
- станина
- пульт боковой
- механизм переключения подач
- коробка скоростей шпинделя
- головка поворотная
- устройства электромеханического зажима инструмента
- шкаф управления
- стол и салазки
- механизм замедления подачи
- пульт основной
- консоль
- коробка подач
Расположение органов управления консольно-фрезерным станком 6Т13
Расположение органов управления фрезерным станком 6Т12
Пульты управления фрезерным станком 6Т13
Пульты управления фрезерным станком 6Т13: основной -II, боковой -I
Перечень органов управления консольно-фрезерным станком 6Т13
- Указатель скоростей шпинделя
- Кнопка "Перемещение стола назад, вперед, вниз"
- Переключатель выбора направления перемещения стола
- Переключатель "Зажим-Отжим инструмента"
- Кнопка "Перемещение стола вперед, влево, вверх"
- Кнопка "Толчок шпинделя" (дублирующая)
- Кнопка "Стоп перемещения стола"
- Кнопка "Пуск шпинделя"
- Кнопка "Стоп шпинделя" (дублирующая)
- Кнопка "Стоп" аварийная
- Кнопка "Быстрое перемещение стола" (дублирующая)
- Рукоятка переключения скоростей шпинделя
- -
- Шестигранник поворота головки
- Рукоятка зажима гильзы шпинделя
- Клавиша "Перемещение стола влево"
- Клавиша "Перемещение стола вправо"
- Клавиша "Стоп продольного перемещения стола"
- Кнопка "Стоп шпинделя"
- Кнопка "Пуск шпинделя"
- Зажимы стола
- Переключатель включения режима работы стола "Ручной - Механический"
- Маховик ручного продольного перемещения стола
- Кольцо-нониус
- Лимб механизма поперечных перемещений стола
- Ручное поперечное перемещение стола
- Ручное вертикальное перемещение стола
- Грибок переключения подач
- Кнопка "Стоп" аварийная
- Переключатель выбора режима работы станка
- Переключатель "Замедленная подача"
- Кнопка "Быстрое перемещение стола и пуск цикла"
- Клавиша "Стоп вертикального перемещения стола"
- Клавиша "Перемещение стола вниз"
- Зажимы салазок
- Клавиша "Перемещение стола вверх"
- Маховик ручного продольного перемещения стола (дублирующий)
- Клавиша "Стоп поперечного перемещения стола"
- Клавиша "Перемещение стола вперед"
- Клавиша "Перемещение стола назад"
- Маховик выдвижения гильзы шпинделя
- Зажим головки на станине
- Вводной выключатель
- Переключатель направления вращения шпинделя "Влево - Вправо"
- Переключатель насоса охлаждения «Включено – Выключено»
- Переключатель выбора пульта управления
- Переключатель выбора автоматических циклов
- Зажим консоли
- Рукоятка съемная ручного вертикального и поперечного перемещения стола
- Штифт нулевой фиксации головки
Схема кинематическая консольно-фрезерного станка 6Т13-1
Станина является базовым узлом, на котором монтируются остальные узлы и механизмы станка.
Станина жестко закреплена на основании и фиксирована штифтами.
Поворотная головка консольно-фрезерного станка 6Т13
Поворотная головка (рис. 8) центрируется в кольцевой выточке горловины станины и крепится к ней четырьмя болтами, входящими в 1-разный паз фланца станины.
Шпиндель представляет собой двухопорный вал, смонтированный в выдвижной гильзе. Регулирование осевого люфта в шпинделе осуществляется подшлифовкой колец 3 и 4. Повышенный люфт в переднем подшипнике устраняют подшлифовкой полуколец 5 и подтягиванием гайки.
Регулировку проводят в следующем порядке:
- выдвигается гильза шпинделя;
- демонтируется фланец 6;
- снимаются полукольца;
- с правой стороны корпуса головки вывертывается резьбовая пробка;
- через отверстие отвертыванием винта 2 расконтривается гайка 1;
- стальным стержнем гайка 1 застопоривается. Поворотом шпинделя за сухарь гайку подтягивают и этим перемещают внутреннюю обойму подшипника. После проверки люфта в подшипнике производят обкатку шпинделя на максимальном числе оборотов. При работе в течение часа нагрев подшипников не должен превышать 60° С;
- замеряется величина зазора между подшипником и буртом шпинделя, после чего полукольца 5 подшлифовываются на необходимую величину;
- полукольца устанавливаются на место и закрепляются;
- привертывается фланец 6.
Для устранения радиального люфта в 0,01 мм полукольца необходимо подшлифовать примерно на 0,12 мм.
Вращение шпинделю передается от коробки скоростей через пару конических и пару цилиндрических зубчатых колес, смонтированных в головке.
Смазка подшипников и шестерен поворотной головки осуществляется от насоса станины, а смазка подшипников шпинделя и механизма перемещения гильзы — шприцеванием.
Коробка скоростей смонтирована непосредственно в корпусе станины. Соединение коробки с валом электродвигателя осуществляется упругой муфтой, допускающей несоосность в установке двигателя до 0,5—0,7 мм.
Осмотр коробки скоростей можно произвести через окно с правой стороны.
Смазка коробки скоростей осуществляется от плунжерного насоса (рис. 9), приводимого в действие эксцентриком. Производительность насоса около 2 л/мин. Масло к насосу подводится через фильтр. От насоса масло поступает к маслораспределителю, от которого по медной трубке отводится на глазок контроля работы насоса и по гибкому шлангу в поворотную головку. Элементы коробки скоростей смазываются разбрызгиванием масла, поступающего из отверстий трубки маслораспределителя, расположенного над коробкой скоростей.
Коробка переключения скоростей позволяет выбирать требуемую скорость без последовательного прохождения промежуточных ступеней.
Рейка 19 (рис. 10), передвигаемая рукояткой переключения 18, посредством сектора 15 через вилку 22 (рис. 11) перемещает в осевом направлении главный валик 29 с диском переключения 21.
Диск переключения можно поворачивать указателем скоростей 23 через конические шестерни 28 и 30. Диск имеет несколько рядов определенного размера отверстий, расположенных против штифтов реек 31 и 33.
Рейки попарно зацепляются с зубчатым колесом 32. На одной из каждой пары реек крепится вилка переключения. При перемещении диска нажимом на штифт одной из пары обеспечивается возвратно-поступательное перемещение реек.
При этом вилки в конце хода диска занимают положение, соответствующее зацеплению определенных пар шестерен. Для исключения возможности жесткого упора шестерен при переключении штифты 20 реек подпружинены.
Фиксация лимба при выборе скорости обеспечивается шариком 27, заскакивающим в паз звездочки 24.
Регулирование пружины 25 производится пробкой 26 с учетом четкой фиксации лимба и нормального усилия при его повороте.
Рукоятка 18 (см. рис. 10) во включенном положении удерживается за счет пружины 17 и шарика 16. При этом шип рукоятки входит в паз фланца.
Соответствие скоростей значениям, указанным на указателе, достигается определенным положением конических колес по зацеплению. Правильное зацепление устанавливается по кернам на торцах сопряженного зуба и впадины или при установке указателя в положение скорости 31,5 об/мин и диска с вилками в положение скорости 31,5 об/мин (для станков моделей 6Т13Б соответствующая скорость равна 50 об/мин). Зазор в зацеплении конической пары не должен быть больше 0,2 мм, так как диск за счет этого может повернуться до 1 мм.
Смазка коробки переключения осуществляется от системы смазки коробки скоростей разбрызгиванием масла.
Cхема электрическая фрезерного станка 6Т13
|
Размеры рабочего стола, мм
|
400x1600 |
|
Частота вращения шпинделя, об/мин
|
31.5-1600 |
|
Макс нагрузка на раб. стол, кг
|
630 |
|
Макс. нагрузка на стол, кг
|
630 |
|
Кол-во Т-образных пазов на раб. столе
|
3 |
|
Макс. перемещение стола, мм
|
1010/400/420 |
|
Пределы подач стола, мм/мин
|
12.5-1600/12.5-1600/4.1-530 |
|
Скорость ускор. перемещений стола, мм/мин
|
4000/4000/1330 |
|
Угол поворота оси шпинделя в прод. плоскости, °
|
-45...+45 |
|
Конус шпинделя по ГОСТ 30064-93
|
ISO 50 |
|
Мощность двигателя, кВт
|
11 |
|
Напряжение питания, В
|
3x380 |
|
Габаритные размеры, мм
|
2570x2260x2430 |
|
Масса, кг
|
4300 |
Комплектация:
-
Станок в сборе – 1 шт.
-
Ящик ЗИП – 1 шт.
-
Устройство защитное – 1 шт.
-
Головка электромеханическая – 1 шт.
-
Рукоятка ручных перемещений – 1 шт.
-
Маховик ручногоуправления – 1 шт.
-
Щиток стола – 1 шт.
-
Кожух – 1 шт.
-
СветильникНКСО1Х100/П20-01У4 – 1 шт.
-
Лампа МО24-40УЗ – 1 шт.
-
Ключ к электрошкафу – 1 шт.
-
Оправка с хвостовиком ГОСТ 25 827-936222-0136 – 1 шт.
-
Захват – 1 шт.
-
Шайба ГОСТ 6402-7024.65Г.05 – 1 шт.
Доп.комплектация
- стол поворотный круглый с редуктором механического привода 7204-0023-01;
- универсальная делительная головка УДГ-Д-250 или УДГ-Н-160;
- тиски станочные 7200-0220-02










