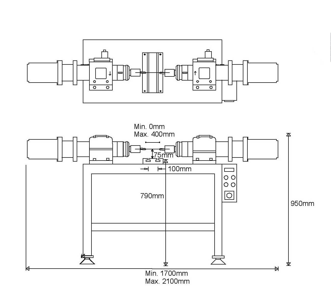
Горизонтальный клепальный станок LF-158-2H
Под заказ
Наши менеджеры обязательно свяжутся с вами и уточнят условия заказа
Обращаем Ваше внимание на то, что приведенные цены, характеристики и фотографии товаров носят исключительно ознакомительный характер и не являются публичной офертой, определяемой пунктом 2 статьи 437 Гражданского кодекса Российской Федерации.
Описание
Двусторонняя клепальная машина горизонтального типа
- Повышенная эффективность: поскольку оба конца машины клепают одновременно, скорость производства значительно увеличивается по сравнению с односторонними клепальными машинами.
- Повышенная точность: одновременная клепка гарантирует надежное скрепление обоих концов материала с одинаковым давлением, что обеспечивает более точный и последовательный процесс клепки.
- Повышенная прочность: одновременная двухсторонняя заклепка обеспечивает более прочное и надежное соединение, поскольку оба конца материала заклепываются одновременно, что снижает риск ослабления или разъединения.
- Экономия времени: поскольку оба конца заклепываются одновременно, общее время производства сокращается, что позволяет повысить производительность и ускорить цикл работ.
- Универсальность: Двусторонние клепальные машины одновременной установки могут использоваться для различных материалов, включая металл, пластик и композитные материалы, что делает их пригодными для широкого спектра применений.
- Экономическая эффективность: повышенная эффективность и производительность, обеспечиваемые двухсторонними клепальными машинами одновременной установки, может привести к экономии средств для производителей, поскольку они могут производить больше продукции за меньшее время.
- Удобство для оператора: эти машины разработаны для удобства использования, с простыми в использовании органами управления и эргономичными функциями, обеспечивающими комфорт и безопасность операторов во время процесса клепки.
Характеристики
|
Размеры рабочего стола, мм
|
342x182x33 |
|
Ход шпинделя, мм
|
20-40 |
|
Диаметр заклепок, мм
|
2-7 |
|
Потребляемая мощность, кВт
|
0.75 |
|
Габаритные размеры, мм
|
1750х540х1000 |
|
Масса, кг
|
340 |





