Пробивной пресс FBY-CP05
Новинки
Под заказ
Наши менеджеры обязательно свяжутся с вами и уточнят условия заказа
Обращаем Ваше внимание на то, что приведенные цены, характеристики и фотографии товаров носят исключительно ознакомительный характер и не являются публичной офертой, определяемой пунктом 2 статьи 437 Гражданского кодекса Российской Федерации.
Описание
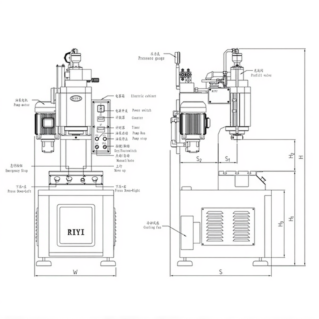
Высокоскоростной одноколонный гидравлический пресс (разъемного типа)
1. C-тип одноколонной конструкции, весь корпус литой, высокотемпературная обработка старения, хорошая жесткость, малая деформация.
2. Регулируемый ход вниз, высокая точность позиционирования, хорошая надежность.
3. Полная гидравлическая система, высокое давление, стабильные рабочие характеристики, высокая точность давления и большой диапазон регулировки.
4. Безопасная конструкция, управляемая обеими руками, с аварийной остановкой и функцией наведения вверх и вниз.
5. Профессиональный дизайн подходит для калибровки валов и профилей: прессовая установка комплектов валов; штамповка, гибка, растяжка пластин, пластиковых, порошковых изделий и других процессов обработки.Тиснение, растяжка и прессование пластиковых и порошковых изделий.
6. Шпиндель имеет две скорости: высокоскоростную и скорость прессования, высокоскоростная скорость прессования повышает эффективность работы.
Скорость работы под давлением можно регулировать произвольно, что позволяет улучшить качество продукции и защитить пресс-формы и изделия.
7. Ручная кнопка и ножная педаль с двумя режимами запуска цикла.
8. Уплотнения изготовлены из Японии NOK и Тайваня Dingji.
9. Инфракрасное индукционное устройство защиты безопасности работы (опционально по требованию заказчика).
10. Функция предупреждения о неисправностях, предварительная диагностика, диагностика неисправностей (опционально).
1. C-тип одноколонной конструкции, весь корпус литой, высокотемпературная обработка старения, хорошая жесткость, малая деформация.
2. Регулируемый ход вниз, высокая точность позиционирования, хорошая надежность.
3. Полная гидравлическая система, высокое давление, стабильные рабочие характеристики, высокая точность давления и большой диапазон регулировки.
4. Безопасная конструкция, управляемая обеими руками, с аварийной остановкой и функцией наведения вверх и вниз.
5. Профессиональный дизайн подходит для калибровки валов и профилей: прессовая установка комплектов валов; штамповка, гибка, растяжка пластин, пластиковых, порошковых изделий и других процессов обработки.Тиснение, растяжка и прессование пластиковых и порошковых изделий.
6. Шпиндель имеет две скорости: высокоскоростную и скорость прессования, высокоскоростная скорость прессования повышает эффективность работы.
Скорость работы под давлением можно регулировать произвольно, что позволяет улучшить качество продукции и защитить пресс-формы и изделия.
7. Ручная кнопка и ножная педаль с двумя режимами запуска цикла.
8. Уплотнения изготовлены из Японии NOK и Тайваня Dingji.
9. Инфракрасное индукционное устройство защиты безопасности работы (опционально по требованию заказчика).
10. Функция предупреждения о неисправностях, предварительная диагностика, диагностика неисправностей (опционально).
Характеристики
|
Макс. высота заготовки, мм
|
280 |
|
Номинальное усилие пресса, кН
|
50 |
|
Ход ползуна(стола), мм
|
165 |
|
Размеры стола, мм
|
275×500 |
|
Глубина горла, мм
|
140 |
|
Раб. давление, МПа
|
9 |
|
Потребляемая мощность, кВт
|
2.2 |
|
Масса, кг
|
650 |






